全國免費服務熱線
發展歷程
榮譽資質
領導致辭
企業簡介
精神●中國
技術資料
行業動態
企業新聞
主營產品
耐壓試驗裝置
安全工器具絕緣性能
電纜/線路檢測
變壓器檢測
繼電保護測試儀
蓄電池檢測儀
電阻檢測
避雷器檢測
開關檢測
互感器檢測
六氟化硫檢測
油、化分析儀
無功補償、發電機檢測
進出口儀器
其他
檢驗報告下載
試驗規程下載
說明書下載
廠家選型
應用選型
承修承試選型
客戶建議
售后服務
簡歷下載
招聘要求
招聘職位
公司總部
旗下公司
營業部地址
TRIUMPH THOUGHT,INSPIRE NEW LIFE!
KDZD5020靜電駐極設備操作時的安全,技術資訊,新聞中心,武漢凱迪正大電氣有限公司,武漢凱迪正大電氣作為電力試驗設備的先行者,在高壓試驗設備領域有引導和提倡社會責任感。因為全球肺炎疫情的感染者快速增長,口罩和防護服等物資原材料熔噴布在防疫領域大量生產,生產中KDZD5020靜電駐極設備在很多熔噴布流水線上運行安全,值得凱迪正大電氣這樣有社會責任感的公司連續發文警示企業注意。上述安全注意事項,在使用高壓發生器前務必仔細閱讀,并嚴格遵守!操作時要嚴格按照高壓發生器使用說明書上的步驟操作,確保您的
2020-05-08
熔噴布靜電發生器接電安裝7個安全警示,技術資訊,新聞中心,武漢凱迪正大電氣有限公司,全球防疫,口罩、防護服個人防護類產品的需求量激增,世界多個國家的醫療團隊、市民一罩難求。口罩也一度成為寶貴的物資。靜電熔噴布就是口罩生產的核心,跟普通熔噴布相比多一道駐極工藝,那熔噴布靜電發生器安裝中注意的事項有哪些呢?熔噴布靜電發生器的高壓產生器不要安裝在潮濕骯臟、易燃易爆的環境中。熔噴布靜電發生器的高壓產生器必須安裝在一個沒有振動的地方。具體的安裝注意事項如下:1.熔噴布靜電發生器高壓產生器應安裝在便于操作的
2020-05-06
廠家直銷熔噴布高壓靜電發生器口罩熔噴層無紡布靜電發生器設備,技術資訊,新聞中心,武漢凱迪正大電氣有限公司,熔噴非織造布,因帶有持久的靜電,可依靠靜電效應捕集微細塵埃,因此具有過濾效率高,過濾阻力低等優點。低風阻,高效率,高容塵量。以“靜電空氣過濾網”為代表,采用突破性攜帶靜電的濾材,有效阻隔空氣中大于0.1微米的顆粒污染物,如粉塵、毛屑、花粉、細菌等,同時超低阻抗確保節能。此外,深度容塵設計確保使用壽命更長。KDZD5020熔噴布靜電駐極設備參數:高壓輸出:自動聲壓恒壓輸出安全措施:自動檢測電流
2020-05-04
變壓器諧波測試儀顯示結果說明及理論計算公式,技術資訊,新聞中心,武漢凱迪正大電氣有限公司,KDZD4000變壓器諧波功率測試系統負載試驗溫度換算公式阻抗電壓百分比:短路阻抗:溫度系數法換算公式為:國標公式法換算公式為:上述公式符號含義:—校正的目標溫度,也即75或120—當前環境溫度—測量電阻時的溫度—當前環境溫度換算到t(75或120)度的溫度系數,—將測量電阻時的溫度換算到當前環境溫度的溫度系數,&am
2020-05-01
絕緣靴絕緣手套試驗規程是怎么樣的?,技術資訊,新聞中心,武漢凱迪正大電氣有限公司,全自動絕緣靴、手套耐壓試驗裝置是凱迪正大公司根據國家電網、國家高壓計量站南方電網公司《DL/T976-2005帶電作業工具、裝置和設備預防性試驗規程》中相關試驗要求并結合多年試驗經驗進行設計生產的一款專門針對絕緣靴和絕緣手套耐壓試驗裝置。符合絕緣靴絕緣手套試驗規程、《電力安全工器具預防性試驗規程》、《DLT676-2012帶電作業用絕緣鞋(靴)通用技術條件》、《GB/T17622-2008帶電作業用絕緣手套》、《電
2020-04-23
KDJS-6絕緣手套、靴及安全工器具耐壓試驗系統如何選配?,技術資訊,新聞中心,武漢凱迪正大電氣有限公司,KDYD凱迪交流高壓試驗臺有手提箱式,臺式兩種,配置分為,指針式,數顯式,智能型三種以供客戶選擇。電壓供客戶選擇0-5kV,0-10kV,0-15KV.0-20kV,0-30kV.0-50kV(也可根據客戶需求訂制),電流供客戶選擇0-100mA,0-200mA,0-1A,0-2A,0-3A,0-5A(也可根據客戶需求訂制)專業程控耐壓試驗控制系統,可配接各種試驗變壓器,包括交直流兩用、抽
2020-04-22
智能工頻交流耐壓試驗裝置操作控制臺的性能,技術資訊,新聞中心,武漢凱迪正大電氣有限公司,KD2675(100kVA25kV5kV)工頻交流耐壓試驗裝置是根據機械工業部電器研究所對地鐵車輛電機、列車上各種高壓電器、電子設備、電磁接觸器、交流接觸器、電線、電纜及其它儀器和各種材料進行抗電強度(耐壓)試驗,能夠考核被試電器、電子設備的絕緣水平和承受內部和外部過電壓的能力。也可用于各種電器及電器裝備電纜,市話電纜,照明電纜的生產和出廠成品時的耐壓檢測試驗。在電線電纜生產廠內使用本設備,用于不同電壓等級
2020-04-21
KDZD5050絕緣材料耐壓水平測試系統,技術資訊,新聞中心,武漢凱迪正大電氣有限公司,工頻交流耐壓試驗裝置是最基本的試驗設備。用于對各種電器產品、電氣元件、絕緣材料等進行規定電壓下的絕緣強度試驗,以考核產品的絕緣水平,發現被試品的絕緣缺陷,衡量過電壓的能力。它由高壓試驗變壓器、電動控制臺、柱式調壓器等組成。下面就各個部分的使用加以說明。KDZD5050絕緣材料耐壓水平測試系統符合《GB/T17622-2008帶電作業用絕緣手套》、《DLT676-2012帶電作業用絕緣鞋(靴)通用技術條件》、
2020-04-10
避雷器監測器沖擊電流電壓測試系統的功能介紹,技術資訊,新聞中心,武漢凱迪正大電氣有限公司,隨著科學技術的不斷發展,避雷器放電計數器的功能不僅僅用來記錄雷擊次數,還用來在線監測避雷器的泄漏電流。我們最新研發的避雷器監測器沖擊電流電壓測試系統就是同時具有沖擊試驗、沖擊電流校驗、避雷器交流參數、直流泄漏試驗、工頻耐壓試驗、絕緣電阻試驗的一體集成式智能系統。避雷器監測器沖擊電流電壓測試系統技術參數1、避雷器放電計數器校驗:沖擊電壓:0-1600V精度:2%±5V(可按要求定制更高電壓)沖擊
2020-04-08
全屏蔽無局放、噪音試驗室技術方案,技術資訊,新聞中心,武漢凱迪正大電氣有限公司,在局放測試過程中,空間干擾由于它的無處不在、隨機性和來源難以確定,所以它對局放測試的影響是最難排除的,常常是由于空間干擾的存在,使我們對局部放電波形的判斷無從下手,有時甚至將局放信號淹沒在干擾信號中,無法識別和測量。如何排除空間干擾,特別是那些對局放測試要求較高的場合,我們就不得不采用全屏蔽的辦法了,也就是將整個測試系統與外界信號用電磁屏蔽的辦法進行徹底的隔離,使外界電磁信號對局放測試的影響降到最低的程度。我們具有多
2020-04-01
KDZD9393干式變壓器材質分析儀使用說明,技術資訊,新聞中心,武漢凱迪正大電氣有限公司,當前配電變壓器生產中,用鋁線代替銅線作為導體材質已成為行業公開的潛規則,之所以出現這種情況,主要原因是鋁線變壓器與銅線變壓器相比能節省成本,具有較強經濟性。變壓器是根據電磁感應原理制成的一種靜止的電氣設備,它具有變換電壓、變換電流、變換阻抗的功能,在工程各個領域得到廣泛應用。如果變壓器采用鋁線代替銅線,鋁線代替銅線有什么后果?耗電量更大用電質量差!首先,從原理上講,兩者作為導電材料使用,差別主要在于導電率
2020-03-31
KD2571B接地電壓如何測量,技術資訊,新聞中心,武漢凱迪正大電氣有限公司,在使用凱迪正大KD2571B接地電阻測試儀時,應注意哪些?1、測量前請確認測試線插頭已完全插入儀表對應接口,未完全插入或接觸不良,可能造成測量值出現誤差。2、KD2571B儀表不能用于商用電源電壓的測量,特殊情況需要測量,只能用V、E接口連接測量,不能在H、S接口短接的情況下測量商用電源電壓,否則在斷路器的接地回路中測量電壓,斷路器可能啟動。3、接地電壓測量時,請勿在測量接口間施加超過600V的電壓。4、接地電壓測量時
2020-03-29
地下管線探測儀應用于哪些電纜檢測?,技術資訊,新聞中心,武漢凱迪正大電氣有限公司,KD-2124多功能全頻線纜探測儀(電纜管線探測儀)提供多種可選附件,從而增加了它們的用途,擴展了它們的應用范圍。地下管線定位儀特有功能:測定地下管線的路由、測定地下管線的埋深、多管線的情況下目標管線的識別、檢測并定位管線絕緣故障點等。地下管線探測儀的典型應用:1、架空裸電線智能電纜路徑識別探測儀2、匯流排(母線)高性能地下金屬管線探測系統3、電力電纜多功能全頻線纜探測儀4、塑料線纜電纜管線探測儀5、油紙力纜高低壓
2020-03-03
一種帶儲能轉換自供電(應急電源)配電檢測裝置,技術資訊,新聞中心,武漢凱迪正大電氣有限公司,我司結合電力系統現場需求,聽取電力設備日常的檢修、搶供電電源以及作為應急電源操作員建議。研發一種移動儲能配電檢測應急電源箱(裝置)。設備引用DL/T1074-2007電力用直流和交流一體化不間斷電源設備,JJG445-1986直流標準電壓源,JJG410-1995精密交流電壓校準源,JJG(航天)51-1999交流標準電流源,符合上述標準相關要求。移動儲能配電檢測應急電源箱(裝置)又稱移動儲能配電檢測應急
2019-10-23
KDZD4830多功能配電檢測電源裝置,技術資訊,新聞中心,武漢凱迪正大電氣有限公司,各種電子設備均離不開供電電源,國家電網有110 kV、220 kV、500 kV幾個常用的電壓等級,在人們日常生活中,主要應用的多是380/220V的交流電壓。用電設備與供電電源一般通過各種配電柜、配電箱或移動配電插座等聯接在一起。供配電系統(包括電源和配電中轉單元)是否正常直接影響到用電設備的工況。武漢凱迪正大電氣有限公司設計KDZD4830多功能配電檢測電源裝置可
2019-09-20
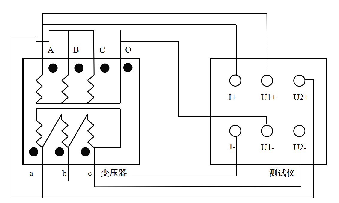
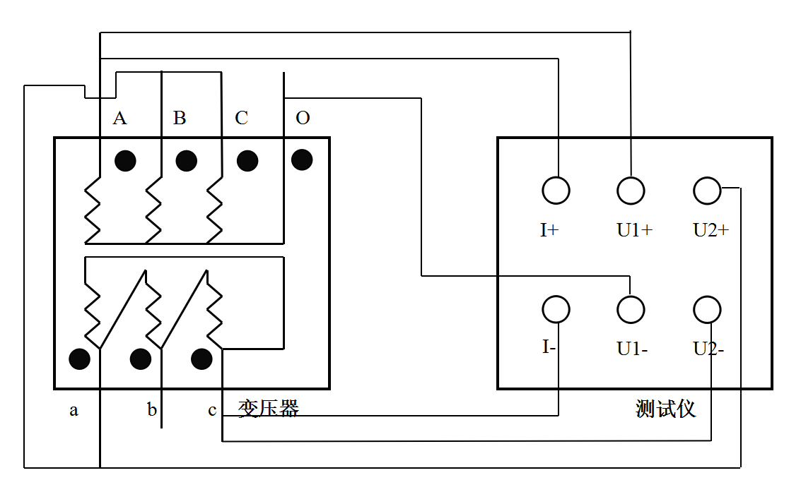
10kv配網電力變壓器需要做哪些試驗?,技術資訊,新聞中心,武漢凱迪正大電氣有限公司,依據GB/T18854-2002(ISO11171-1999)等國家及國際標準研制的專門用于油液中污染度等級的檢測。KDZD電力變壓器自動檢測裝置用于對電力變壓器停電例行試驗項目,進行自動化檢測。其特點是集介質損耗、絕緣電阻、直流電阻、分接開關切換特性、短路阻抗及變比等六項檢測項目于一臺儀器,使儀器功能、試驗電源和試驗引線高度融合。現場試驗時,只需開始接線一次、結束拆線一次,中間過程由試驗人員在電腦終端發送指令
2019-04-19
KDWS-28冷鏡法SF6氣體露點儀為什么得到鐵路界青睞,技術資訊,新聞中心,武漢凱迪正大電氣有限公司,KDWS-28型便攜式冷鏡法SF6氣體露點儀是我公司和凱迪電力設備研究院基于斯特林制冷原理專門設計用于電力行業全溫區進行SF6氣體微量水分檢測的儀表設備。可以在環境溫小于60℃的各種環境下,以露點±0.2℃的測量精度進行SF6氣體的微量水分檢測。KDWS-28產品測試速度快,性能穩定,重復性好。適用于電力行業SF6新氣,再生氣體,運行氣體及故障氣體的微量水分檢測。為電力行業現場工
2019-04-11
10kV電壓互感器(空載負載試驗)技術方案由凱迪正大公司提供,技術資訊,新聞中心,武漢凱迪正大電氣有限公司,10kV電壓互感器空載負載試驗校驗技術方案適用范圍:適用于試品10kv及以下電壓互感器空載負載試驗凱迪(KD)互感器檢驗系統配置序號設備名稱設備型號數量設備參數110kV自升壓標準電壓互感器KDHG-G21臺準確度等級:0.05級電壓等級:10kV/√3/100V/√3絕緣方式,干式3控制箱(5kVA)KDX-PD31臺額定容量:3kVA輸入:220V輸出:0
2019-04-05
KDZR-XY三相直流模擬電阻校準裝置操作指南,技術資訊,新聞中心,武漢凱迪正大電氣有限公司,KDZR-XY三相直流模擬電阻校準裝置等效為四端電阻,Io為電流公共端,Ia(10A/50A)、Ib(10A/50A)、Ic(10A/50A)電流端。Uo為電流公共端,Ua、Ub、Uc電壓端子;開機后,儀器進入自檢過程,約4S后才進入正常狀態(如圖)。本儀器開機后,電流檔位選擇:電流檔位是根據被校準儀器電流選擇,被校準儀器在0-10A時電流檔位選擇10A,被檢測電流在10-50A時電流檔位選擇50A檔(
2019-04-03
KDJF-2006局部放電測試儀試驗準備,技術資訊,新聞中心,武漢凱迪正大電氣有限公司,KDJF-2006局部放電測試儀是我公司針對傳統的局部放電檢測儀示波管亮度低、壽命短的問題,新研制的數字式液晶顯示局部放電檢測儀。KDJF-2006局部放電測試儀保持了成熟型號產品檢測靈敏度高,試樣電容覆蓋范圍大,適用試品范圍廣,輸入單元(檢測阻抗)配備齊全,頻帶組合多(九種)的優點。操作、及結構安裝形式與以往型號完全兼容,便于已有系統設備的升級改造。KDJF-2006局部放電測試儀試驗準備1)檢查試驗場地的
2019-04-02
KDZR-20L直流電機片間電阻測試儀儀測試與操作方法?,技術資訊,新聞中心,武漢凱迪正大電氣有限公司,KDZR-20L直流電機片間電阻測試儀儀測試與操作方法?1、接線:把專用測試線與本機接線柱連接,連接牢固,同時把地線接好。2、電流選擇:打開電源開關(開關上I為開,O為關)同時顯示屏上會顯示全部電流值,這時可通過選擇鍵對所測試品預置電流進行選擇,每按一下選擇鍵,光標會滾動在各電流值2.5A、5A、10A、20A、40A之間。3、測試:當選擇好電流后,將兩個測量電極放置到被測的兩個片上,按下標有
2019-03-05
KDZR-10A直流電阻溫升測試儀性能及接線方法,技術資訊,新聞中心,武漢凱迪正大電氣有限公司,變壓器的直流電阻是變壓器制造中半成品、成品出廠試驗、安裝、交接試驗及電力部門預防性試驗的必測項目,能有效發現變壓器線圈的選材、焊接、連接部位松動、缺股、斷線等制造缺陷和運行后存在的隱患。為了滿足變壓器直流電阻快速測量的需要,公司利用自身技術優勢研制了20A雙通道變壓器直流電阻測試儀。KDZR-10A儀器采用全新電源技術,具有體積小、重量輕、輸出電流大、雙通道測量,實時采樣等特點。整機由單片機控制,自動
2019-02-21
凱迪正大直流電阻測試儀使用中常見的問題,技術資訊,新聞中心,武漢凱迪正大電氣有限公司,凱迪正大直流電阻測試儀使用中常見的問題直流電阻測試儀是測量變壓器繞組以及大功率電感設備直流電阻的理想設備。變壓器繞組的直流電阻測試是變壓器在交接、大修和改變分接開關后,必不可少的試驗項目。在實際應用中,用戶難免會遇到一下問題。下面由專業的生產廠家——武漢凱迪正大電氣有限公司為您講解常見的三個問題及處理方法。1.直流電阻測試儀一開機就燒保險。開機燒保險情況需要分兩種情況:5A~10A
2019-02-18
便攜式直流高壓發生器對試品進行泄漏及直流耐壓試驗,技術資訊,新聞中心,武漢凱迪正大電氣有限公司,武漢凱迪正大公司研制的便攜式直流高壓發生器,主要部件選用德國、日本、美國等國先進技術的元器件。性能卓越的大功率IGBT器件及其驅動技術的采用,使直流高壓發生器實現了便攜式、高品質,并能承受額定電壓放電而不損壞。便攜式直流高壓發生器是適用于電力部門、發電廠、科研單位、鐵路、廠礦企業動力部門、化工廠等發電機、變壓器、開關、對磁吹避雷器、氧化鋅避雷器、電力電纜等設備進行直流高壓試驗,是新世紀最理想的換代產品
2019-02-15
凱迪正大:使用高壓試驗變壓器做耐壓試驗注意事項,技術資訊,新聞中心,武漢凱迪正大電氣有限公司,凱迪正大:使用高壓試驗變壓器做耐壓試驗注意事項高壓試驗變壓器又名交直流試驗變壓器。交直流試驗變壓器是供電局、發電廠及科研單位等用來做交流耐壓試驗的基本試驗設備,用于對各種絕緣材料、電器元件、電氣產品等進行規定電壓下的工頻耐壓試驗和直流泄漏試驗。交直流試驗變壓器工作原理:將工頻電源輸入操作箱(或操作臺),經自耦調壓器調節電壓輸入至試驗變壓器的初級繞組。根據電磁感應原理,在次級(高壓)繞組可獲得工頻高壓。此
2019-02-14
掃碼 關注我們
掃碼 在線溝通
027-83551828